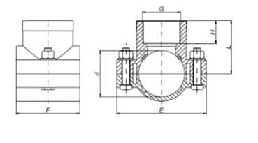
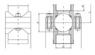
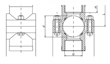
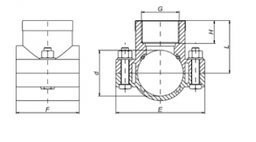
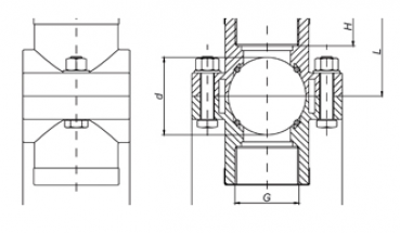
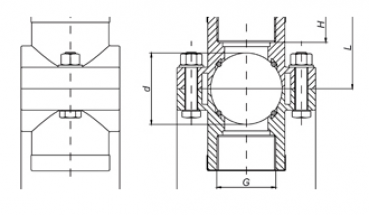
Anbohrschellen

Anbohrschellen




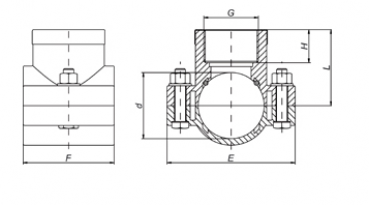
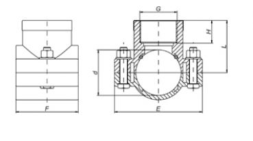
Die Unidelta PP Anbohrschelle eignet sich sehr gut für Abzweige von PE-Rohren
PE HD, PE LD, PE 80 und PE 100.

Eine nachträgliche Installation bei drucklosen, bereits bestehenden PE-Leitungen ist möglich.
Einfache Montage vor Ort.
Bei unter Druck stehendem PVC-Rohr oder PE-Rohr kann unsere Druckanbohrschelle verwendet werden.

Die Anbohrschelle gibt es in mit Einfach- oder Doppelabgang.
Beide Varianten gibt es mit oder ohne Verstärkungsring am Innengewinde.

Die PN 16 Anbohrschelle (blau) ist für Leitungen bis 16 bar ausgelegt.





 
Zeige 153 bis 160 (von insgesamt 271 Artikeln)